Silencer

Instructions for use
1, the company designed and manufactured muffler used to reduce the fan, the export of aerodynamic noise.
2, muffler installation, from the muffler into the (mouth) 1.5 meters to 2 meters should be no obstruction, and pay attention to avoid other noise sources, so as not to affect the normal use of muffler effect.
3, muffler and fan connection flange diameter is inconsistent, can be coupled with the transition tube, but the equivalent angle should not be greater than 30 °. Connect the flange should avoid rigid connection, and pay attention to seal, to prevent leakage, leakage.
4, muffler can be installed according to actual needs in any position in the space, but should pay attention to the support of the muffler. Muffler can not withstand external weight.
5, muffler should be installed in the air flow channel smooth section, in particular, to avoid installation in the pipe elbow.
6, through the muffler gas dust content should be less than 100 mg / standard cubic meters, or to install the air filter, so as not to affect the use of results.
7, through the silencer media is not allowed to contain water mist, oil mist and corrosive gases. The medium temperature should not be less than 150 ℃.
8, muffler used after a period of time. If the fouling effect is reduced, can only use dry brush to remove dust, and can not rinse with water.
9, muffler in the transport and to be installed before to take moisture, anti-fouling measures, so as not to affect the normal use of the future effect.
10, to meet the above conditions of use, the life of the muffler is usually up to 8-10 years.
F type muffler
Muffler is because the domestic more mature resistance composite muffler, which is mainly used to reduce the various high-pressure centrifugal fan import and export of aerodynamic noise, especially for the fan industry 9-19,9-26 and other models of high-pressure centrifugal fan The
F-type muffler is divided into A, B two forms. A-type ends are flanges, can be used in series in the pipeline, B-type one end of the flange, the other end of the rain suction hood. Can be used for the use of exhaust.
F-type muffler using air flow 2000-66000m3 / h, the use of temperature below 150 ℃, muffler up to 20-25dB (A), the resistance loss is less than 300mmH2O (294pa).
F type muffler specifications selection table
1, the company designed and manufactured muffler used to reduce the fan, the export of aerodynamic noise.
2, muffler installation, from the muffler into the (mouth) 1.5 meters to 2 meters should be no obstruction, and pay attention to avoid other noise sources, so as not to affect the normal use of muffler effect.
3, muffler and fan connection flange diameter is inconsistent, can be coupled with the transition tube, but the equivalent angle should not be greater than 30 °. Connect the flange should avoid rigid connection, and pay attention to seal, to prevent leakage, leakage.
4, muffler can be installed according to actual needs in any position in the space, but should pay attention to the support of the muffler. Muffler can not withstand external weight.
5, muffler should be installed in the air flow channel smooth section, in particular, to avoid installation in the pipe elbow.
6, through the muffler gas dust content should be less than 100 mg / standard cubic meters, or to install the air filter, so as not to affect the use of results.
7, through the silencer media is not allowed to contain water mist, oil mist and corrosive gases. The medium temperature should not be less than 150 ℃.
8, muffler used after a period of time. If the fouling effect is reduced, can only use dry brush to remove dust, and can not rinse with water.
9, muffler in the transport and to be installed before to take moisture, anti-fouling measures, so as not to affect the normal use of the future effect.
10, to meet the above conditions of use, the life of the muffler is usually up to 8-10 years.
F type muffler
Muffler is because the domestic more mature resistance composite muffler, which is mainly used to reduce the various high-pressure centrifugal fan import and export of aerodynamic noise, especially for the fan industry 9-19,9-26 and other models of high-pressure centrifugal fan The
F-type muffler is divided into A, B two forms. A-type ends are flanges, can be used in series in the pipeline, B-type one end of the flange, the other end of the rain suction hood. Can be used for the use of exhaust.
F-type muffler using air flow 2000-66000m3 / h, the use of temperature below 150 ℃, muffler up to 20-25dB (A), the resistance loss is less than 300mmH2O (294pa).
F type muffler specifications selection table

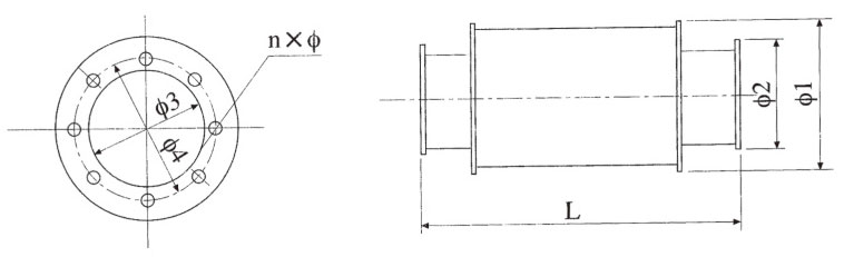
FA, FB muffler dimensions

Z type muffler
I designed and developed by the company's Z-type muffler series a total of nine specifications, of which Z1-Z5 for the resistive muffler. Z5A-Z7 for the impedance composite muffler, Z-type muffler is mainly used to reduce the Roots blower into the exhaust noise.
Z-type muffler for the air volume of 0.25m3 / min-250m3 / min, muffler up to 20-25dB (A), the resistance loss is less than 50mmH2O (490Pa)
Z-type muffler according to the need for the Roots blower into the inlet and outlet flange can also be connected in series, into the pipeline in the use.
Z-type muffler specifications selection table
I designed and developed by the company's Z-type muffler series a total of nine specifications, of which Z1-Z5 for the resistive muffler. Z5A-Z7 for the impedance composite muffler, Z-type muffler is mainly used to reduce the Roots blower into the exhaust noise.
Z-type muffler for the air volume of 0.25m3 / min-250m3 / min, muffler up to 20-25dB (A), the resistance loss is less than 50mmH2O (490Pa)
Z-type muffler according to the need for the Roots blower into the inlet and outlet flange can also be connected in series, into the pipeline in the use.
Z-type muffler specifications selection table

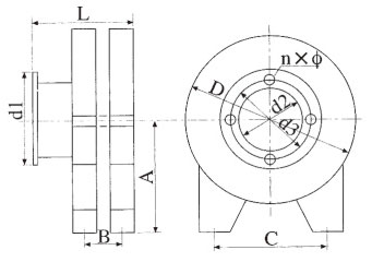
L - type Roots blower supporting muffler specifications selection table
L-type Roots blower is a joint design of the series Roots blower. I am supporting the design of the L-type muffler, flange can be directly connected. Muffler and resistance loss are similar to Z-type muffler.
L - type Roots blower supporting muffler specifications selection table
L-type Roots blower is a joint design of the series Roots blower. I am supporting the design of the L-type muffler, flange can be directly connected. Muffler and resistance loss are similar to Z-type muffler.
L - type Roots blower supporting muffler specifications selection table

PZA disc type muffler
PZA-type muffler is my company introduced the use of imported technology to develop a new round of the intake of the resistance of the muffler. Because of its appearance was discoid. So it has the characteristics of small axial size. It is most suitable for reducing the import noise of small industrial boiler blowers, in the layout of a compact boiler room to use, more both light weight, small footprint, easy installation advantages.
PZA type muffler used in the air flow 3500-15000m3 / h. Muffler 14-18dB (A), resistance less than 10mmH20 (98Pa)
PZA-type disc muffler has won the third prize of scientific and technological progress of machinery industry.
PZA-type muffler is my company introduced the use of imported technology to develop a new round of the intake of the resistance of the muffler. Because of its appearance was discoid. So it has the characteristics of small axial size. It is most suitable for reducing the import noise of small industrial boiler blowers, in the layout of a compact boiler room to use, more both light weight, small footprint, easy installation advantages.
PZA type muffler used in the air flow 3500-15000m3 / h. Muffler 14-18dB (A), resistance less than 10mmH20 (98Pa)
PZA-type disc muffler has won the third prize of scientific and technological progress of machinery industry.

PZA type muffler exterior size diagram

PZB type shielded rectangular muffler
PZB-type muffler is based on the PZA-type muffler, the design developed from its original shape from the original disc into a rectangular, and in the upper and lower with two shielded sound-absorbing panels, After the PZB-type muffler, not only to maintain the PZA-type muffler good performance, and the structure is more compact and reasonable, an increase of rain measures, suitable for outdoor use. PZB-type shielded rectangular muffler in 1989 won the national utility model patents.
PZB type shielded rectangular silencer specifications selection table
PZB-type muffler is based on the PZA-type muffler, the design developed from its original shape from the original disc into a rectangular, and in the upper and lower with two shielded sound-absorbing panels, After the PZB-type muffler, not only to maintain the PZA-type muffler good performance, and the structure is more compact and reasonable, an increase of rain measures, suitable for outdoor use. PZB-type shielded rectangular muffler in 1989 won the national utility model patents.
PZB type shielded rectangular silencer specifications selection table

PZB type muffler exterior size diagram

DZ type power station blower muffler
DZ-type power station muffler, is the use of the company to introduce the German company Babcock muffler noise reduction technology to create large-scale chip resistive muffler, its birth to effectively solve the 50,000 kw power station - 600,000 kw power station large blower import noise.
DZ muffler for the amount of 30-300m3 / S, the amount of sound is greater than 20dB (A), the resistance is less than 200mmH20 (196Pa).
DZ large-scale power plant muffler has won the Shanghai Municipal Science and Technology Progress Award.
DZ type power station blower muffler specifications selection table
DZ-type power station muffler, is the use of the company to introduce the German company Babcock muffler noise reduction technology to create large-scale chip resistive muffler, its birth to effectively solve the 50,000 kw power station - 600,000 kw power station large blower import noise.
DZ muffler for the amount of 30-300m3 / S, the amount of sound is greater than 20dB (A), the resistance is less than 200mmH20 (196Pa).
DZ large-scale power plant muffler has won the Shanghai Municipal Science and Technology Progress Award.
DZ type power station blower muffler specifications selection table

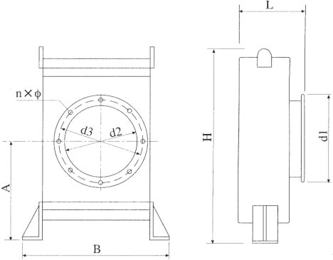
Dimension diagram of DZ type muffler

DZL vertical muffler

DZL vertical silencer appearance dimensions




